
![]()
本产品为精密微型步进电机,带丝杆和滑块,也叫丝杆电机,输出部分采用螺距为0.4mm的丝杆,通过和丝杆配套的螺母副把转动变成推力. 本产品在200PPS驱动频率下,350克的推力。
电机基本步进角度为18度,电机每周运行20步,所以位移的分辨率可以达到0.02mm,使用细分驱动控制的话,精度可以更高,达到精密控制的目的.
因为其体积小,精度高,便于控制等优良特性,所以此微型步进电机广泛使用在相机,光学仪器,镜头,精密医疗器械,自动门锁等各个领域.
电机输入部分图示为FPC,但是可以根据客户需求可以更改为连接线 光针,PCB等各种形式.
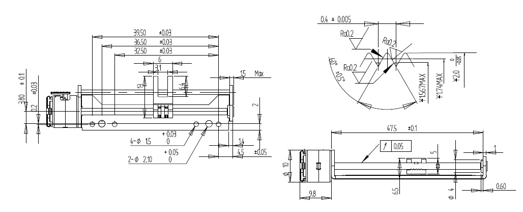
安装支架可以根据客户要求更改.
同时我们可以配套相应的驱动系统来满足客户的需求!
我们团队具备10年以上的微型步进电机设计,开发和生产经验,所以可以根据客户的特殊需要实现产品开发和辅助设计!
客户的需要就是我们的努力方向,请随时联系!
![]()

![]()
(此款行程为40mm )

![]()
| ELECTRICAL CHARACTERISTIC | |||||||
| RATED VOLTAGE | 3.3V DC | ||||||
| COIL RESISTANCE | 10 Ω±10% | ||||||
| NO. OF PHASES | 2 PHASES | ||||||
| STEP ANGLE | 18°/ STEP | ||||||
| MAX. STARTING FREQUENCY | 1000 PPS min. (AT 3.3 V DC) | ||||||
| MAX. SLEWING FREQUENCY | 1200 PPS min. (AT 3.3 V DC) | ||||||
| PULL IN TORQUE | 3.5 gf-cm min (AT 500 PPS , 3.3 V DC) | ||||||
| PULL OUT TORQUE | 4.5 gf-cm min (AT 500 PPS , 3.3 V DC) | ||||||
| INSULATION CLASS | CLASS E FOR COILS | ||||||
| INSULATION STRENGTH | 300 V AC FOR ONE SECOND | ||||||
| INSULATION RESISTANCE | 50 MΩ(DC 100 V) | ||||||
| OPERATING TEMPERATURE RANGE | -20 ~+70 ℃ | ||||||
![]()
微型步进电机丝杆滑块方式分别有白色塑料滑块,金属滑块,黑色塑料滑块,光杆,客户可根据需求定制

电机接线输入方式分别有FPC,连接线,光针,客户可根据需求定制




通过 
