


-------------------------------产品参数--------------------------------
|
额定电压:0.5A 50V DC
工作温度:-10° ~ +70°
接触电阻:0.03Ω Max(initial)
绝缘电阻:100MΩ Min
绝缘强度:1500VAC for 1 Minute |
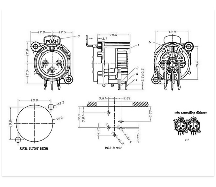
-------------------------------规格图纸--------------------------------

--------------------------------产品应用--------------------------------




通过 
