






|
型号 |
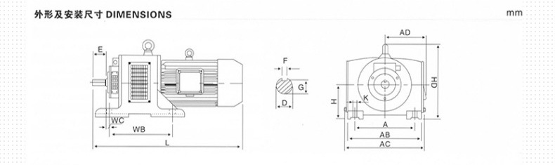
安装尺寸 |
外形尺寸 |
|||||||||||
|
A |
WB |
WC |
D |
E |
F |
G |
H |
K |
AB |
AD |
HD |
L |
|
|
YCT112-4A |
190 |
210 |
40 |
19 |
40 |
6 |
15.5 |
112 |
12 |
273 |
155 |
285 |
520 |
|
YCT132-4A |
216 |
241 |
40 |
24 |
50 |
8 |
20 |
132 |
12 |
315 |
160 |
330 |
565 |
|
YCT160-4A |
254 |
267 |
45 |
28 |
60 |
8 |
24 |
160 |
15 |
355 |
185 |
385 |
650 |
|
YCT180-4A |
279 |
305 |
45 |
28 |
60 |
8 |
24 |
180 |
15 |
390 |
195 |
430 |
690 |
|
YCT200-4A |
318 |
356 |
50 |
38 |
80 |
10 |
33 |
200 |
19 |
436 |
230 |
475 |
805 |
|
YCT225-4A |
356 |
406 |
56 |
42 |
110 |
12 |
37 |
225 |
19 |
485 |
260 |
531 |
965 |
|
YCT250-4A |
406 |
457 |
63 |
48 |
110 |
14 |
42.5 |
250 |
24 |
540 |
290 |
580 |
1100 |
|
YCT280-4A |
457 |
508 |
70 |
55 |
110 |
16 |
49 |
280 |
24 |
595 |
325 |
655 |
1230 |
|
YCT315-4A |
508 |
560 |
89 |
60 |
140 |
18 |
53 |
315 |
28 |
656 |
350 |
730 |
1360 |
|
YCT355-4A |
610 |
630 |
108 |
65 |
140 |
18 |
58 |
355 |
28 |
780 |
410 |
765 |
1550 |
|
YCT400 |
630 |
710 |
108 |
80 |
170 |
22 |
71 |
400 |
32 |
800 |
500 |
820 |
2030 |
电磁调速电机主要技术参数(380V 50HZ)
|
型号 |
标称功率 |
额定转矩 |
调速范围 |
转速变化率 |
重量 |
|
YCT 112-4A |
0.55 |
3.6 |
1230-125 |
2.5 |
54 |
|
YCT 112-4B |
0.75 |
4.9 |
1230-125 |
2.5 |
55 |
|
YCT 132-4A |
1.1 |
7.1 |
1230-125 |
2.5 |
81 |
|
YCT 132-4B |
1.5 |
9.7 |
1230-125 |
2.5 |
85 |
|
YCT 160-4A |
2.2 |
14.1 |
1250-125 |
2.5 |
122 |
|
YCT 160-4B |
3 |
19.2 |
1250-125 |
2.5 |
125 |
|
YCT 180-4A |
4 |
25.2 |
1250-125 |
2.5 |
160 |
|
YCT 200-4A |
5.5 |
35.1 |
1250-125 |
2.5 |
218 |
|
YCT 200-4B |
7.5 |
47.7 |
1250-125 |
2.5 |
231 |
|
YCT 225-4A |
11 |
69 |
1250-125 |
2.5 |
344 |
|
YCT 225-4B |
15 |
94 |
1250-125 |
2.5 |
367 |
|
YCT 250-4A |
18.5 |
116 |
1320-132 |
2.5 |
478 |
|
YCT 250-4B |
22 |
137 |
1320-132 |
2.5 |
502 |
|
YCT 280-4A |
30 |
189 |
1320-132 |
2.5 |
700 |
|
YCT 315-4A |
37 |
232 |
1320-132 |
2.5 |
830 |
|
YCT 315-4B |
45 |
282 |
1320-132 |
2.5 |
858 |
|
YCT 355-4A |
55 |
344 |
1340-440 |
2.5 |
1440 |
|
YCT 355-4B |
75 |
469 |
1340-440 |
2.5 |
1600 |
|
YCT 355-4C |
90 |
564 |
1340-600 |
2.5 |
1700 |
|
YCT 400-4A |
110 |
690 |
1350-500 |
2.5 |
2050 |
|
YCT 400-4B |
132 |
821 |
1350-650 |
2.5 |
2150 |
|
YCT电磁调速电机介绍 YCT(卧式)/ YCTL(立式)系列电磁调速电动机是机械工业部组织的Y系列异步电动机的主要派生系列。电磁调速电动机由拖动电机(Y系列电动机)、电磁转差离合器和控制器三部份组成,可用于恒转距负载场合,特别适宜在递减转矩负载中使用(例如离心式水泵和风机),有较明显的节能效果。 该电机的主要特点: 1.调速精度高 (1)电动机端部的测速发电机由于改用了径向磁钢恒磁爪板式三相中频发电机,消除了过去应用轴向磁钢而使调速电机加入负载后转速有周期性摆动的不稳定因素。 (2)电动机配套控制器采用速度控制器方式达到自动稳定速度的目的,从而提高了调速电动机的速度变化率。控制器分精密型和普通型,普通型控制器能使额定转速范围内转速变化率<2.5%,精密型控制器能使转速变化率<1%,该电机最大直流励磁电压90V。 2.调速范围广,效率高,节能效果显著 电动机能在额定转速范围内任意调速,无失控区,调速范围可达10:1,由于调速范围广,因而在最高额定转速下的传递效率提高了,一般可达到86%左右,转矩传递效率系数可达96% |











通过 
