| 订货号 | 品牌 | 货号 | |||
| 型号 | 种类 | 动作方式 | |||
| 缸径 | 标准行程 | 气缸数 | |||
| 最大行程 | 理论作用力 | 最大负荷 | |||
| 最大力距 | 接管口径 | 温度范围 | |||
| 适用压力 | 重量 | 接管螺纹 | |||
| 速度范围 | 规格 | 是否跨境出口专供货源 | |||
| 适用范围 | 加工定制 |



| 品牌:SENTO/森拓 | 操作速度:50-700mm/s |
| 型号:STD-63 | 气缸耐压:1.2MPa |
| 作动方式:双动 | 行程公差:+1.0mm0 |
| 增压介质:ISO VG68# | 工作频率:25-45C/min |
| 润滑油:无需 | 作动压力:0.2-0.8MPa过 |
| 气缸缸径:63mm | 滤后压缩空气 |





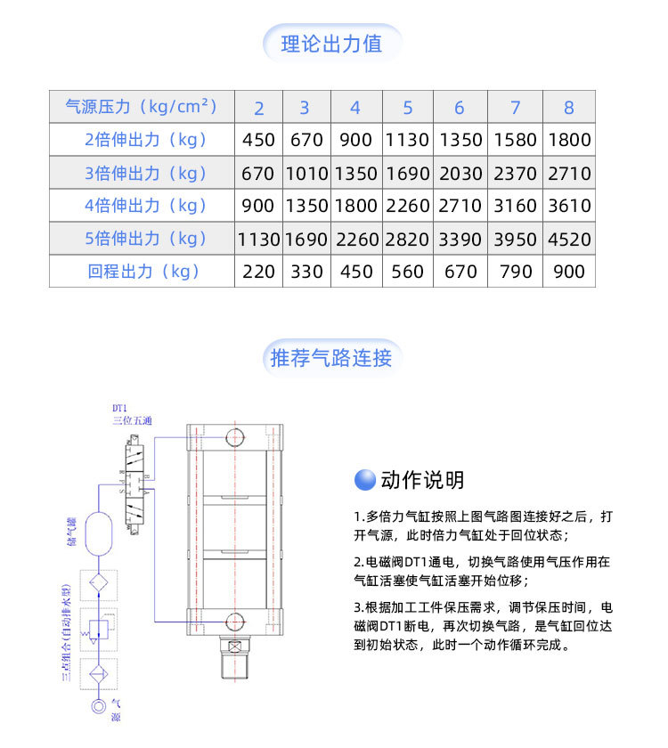
| 注:如需其参数请与我司技术部门联系,或联系在线客服,谢谢! |


|
气缸每节内都有一个活塞在工作,实际工作的时候每个动作的受力 情况并不是一样大。活塞杆出来时,所以活塞都产生推力,但是返 回时,只有一个活塞产生拉力。如果工件或者模具比较重,需要回 程拉力,活塞杆;拉回时,所以活塞都能产生拉力。 |




|





通过 
