| 订货号 | 加工定制 | 货号 | |||
| 类型 | 材质 | 型号 | |||
| 品牌 | 适用范围 | 产品别名 |
淮安恒信液压设备有限公司是一家机械及行业设备的企业,是经国家相关部门批准注册的企业,主营:齿轮泵、多路换向阀,液压动力单元,采用加工中心、 CAD设计系统、CAT性能试验台、多功能齿轮量仪等先进设备。产品广泛服务于工程机械、铁路机械、仓储、物流运转机械及汽车相关机械等领域。其中CBK型、CBN型齿轮泵及部分类型的动力单元出口到国外市场。 W型交、直流液压动力单元采用国际流行的K型齿轮泵,专用油泵电机,流线型油箱,具有20多种油路设计可 满足不同类型的需要。主要应用范围:汽车举升机、汽车尾板、电动堆高车、升降平台、叉车、电动篮球架、硫化机、塑管焊接机、混凝土搅拌机、环保垃圾车、垃圾压缩机、消防设备、登车桥等。公司本着“客户第一,诚信至上”的原则,与多家企业建立了长期的合作关系。热诚欢迎各界朋友前来参观、考察、洽谈业务。
我们有专业的技术团队指导,欢迎有技术难题的朋友前来沟通与探讨,我们将以专业技术来为每一位客户解决技术性的每一个问题。
咨询(客服)热线:15380631050

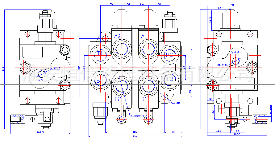
CDB系列换向阀是我公司引进、消化吸收国外先进技术进行设计的新产品,它不但适用于叉车、小型装载机、平地机液压系统,还可以应用于其他起重运输机械、矿山机械液压系统中,使主机实现了进口元件的国产化。该系列多路阀采用片式结构,1-10连内可以任意组合。油路形式为并联、串并联。进油片内设有稳流装置,保证转向系统正常工作。换向片内可带过载阀、二次压力阀、补油阀等附加阀供用户选择。滑阀机能有O、A、R、Y、OX等,供用户任意组合。CBD15型适用于单泵分流双回路系统。我公司可为客户定制生产各种特殊要求的多路阀。用于叉车、小型装载机、平地机液压系统,还可以用于其他起重运输机械、矿山机械液压系统ZCDB-F15、ZCDB-F20用于叉车、环保车等工程机械的液压系统。






备注:网站标价非实际价格,具体价格根据产品参数配置要求而定。




通过 
