
潜水搅拌机功能说明及性能要求
(1) 功能说明
用于排泥池内维持液体流速,使池内污泥混合均匀,无沉积现象,运行状态平稳。保证池底流速在0.3m/s以上,保持污泥处于悬浮状态,防止沉淀。
(2) 性能要求
a. 潜水搅拌机能在悬浮颗粒浓度不大于5%(重量比)的污泥中工作,叶轮转速、直径和具体安装位置由杜安环保技术人员根据平衡池和污泥池池型及尺寸确定,须满足图纸中提出的容积功率和工艺的推流和搅拌效果,均匀度达90%以上,推流搅拌机的水平向角度可调,提供详细的选型或设计的说明书和计算书。
b. 为防止污泥在污泥平衡池内发生沉淀,潜水搅拌机能在污泥平衡池中搅动污泥,使其保持悬浮状态。
c. 潜水搅拌机能在全浸没潜水电机的条件下每日24小时连续运行、间歇运行(每小时可启动至少12次)和长期停止状态后恢复运行,潜水搅拌机在整个运行过程中须保持无振动平稳运行,正常运行时间至少为10000小时。
d. 潜水搅拌机的安装位置符合现场安装基本要求。
e. 现场条件:详见设计图纸
f. 搅拌机基本轴功率不小于10w/m3(池容积),根据池型和污泥的粘滞性保证设备的电机功率不产生过载和确保污泥的充分混合和推流。
g. 潜水搅拌机全部的重量受力在一个支架上,并且这个支架可承受潜水搅拌机形成的推力。
h. 搅拌机导轨系统可自由调整潜水搅拌机的提升和下降及转动角度,排空水池情况下拆卸和安装搅拌器。叶片具有自清洁功能。
i. 搅拌机的电机和螺旋浆轴采用直联的方式或通过减速器耦连的方式,轴由耐磨不锈钢制造,轴承的设计寿命不小于50,000小时。螺旋轴充分与搅拌介质隔离。
j. 所提供的潜水搅拌机为成套装置,配备就地控制箱、提升导轨、提升链、水下电缆、起吊架和手摇升降装置、基础螺栓等有效和充分运行所必需的附件。
k. 采用两个相互独立的高质量机械密封,机械密封的使用寿命不低于30,000小时。
l. 潜水电机的防护等级为IP68,绝缘等级为F,B级温升,电机轴和转子作平衡试验。电机配有用于控制和动力的水下型电缆,每根电缆都有一单独的进口,并进行可靠的密封,如果动力电缆是多芯电缆,则每根电缆还要进行单独密封。在电机油室中设置泄漏传感器,讯号能监测并在电机出现严重损坏前发出报警讯号。
(3)结构要求
a. 壳体
潜水搅拌机电机和轴封的壳体由不锈钢316制造,壳体厚度足以承受荷载,采用流线型,其表面平整无气孔,结构紧凑。
b. 螺旋桨
螺旋桨为三叶片自清洗式,由不锈钢SS316材料制成。且经G6.3级动平衡检验合格。螺旋桨与轴之间用键连接传动,转动时不会松动。
c. 轴
搅拌机的电机和螺旋桨轴采用直联的方式,轴由耐磨不锈钢制造,螺旋桨和电机轴能承受所有轴向和径向荷载,轴承的设计寿命不小于50000小时。螺旋轴与搅拌介质隔离。潜水搅拌机轴置于两个重载球轴承之上,能承受径向和轴向的力。
d. 轴封
在潜水搅拌机电机和螺旋桨之间配备有两个独立的机械密封。
外机械密封均采用碳化钨/碳化钨或碳化硅/碳化硅,内机械密封材质为碳化硅/石墨。介质酸碱度范围为pH4~10,温度不大于40℃。
机械密封的使用寿命不低于30000小时。
机械密封的设计可承受正、反二向转动,不会带来不良后果。
e.电机
电机为鼠笼式异步电机,带PA12(聚酰胺)的电机支撑架,电机外壳为不锈钢。防护等级为IP68,F级绝缘等级B级温升,电机轴和转子经动、静平衡测试合格,电机为400V(10%,3相,50Hz。允许电压浮动范围为(10%。泵和电缆能在20m淹深下连续工作而不漏水,允许液体温度40度。
潜水电机设计为可连续运行,每小时允许启动次数为12次以上。
潜水电机与搅拌机为杜安环保成套供货。
f. 电缆和电缆密封
电机配有用于控制和动力的水下型电缆,每根电缆都有一单独的进口,并进行可靠的密封,如果动力电缆是多芯电缆,那么每根电缆还要进行单独密封。
g 泄漏传感器
在电机油室中设置泄漏传感器,讯号能监测并在电机出现严重损坏前发出报警讯号。
h. 热敏开关
电机的三相线圈内设3只双金属开关,用于监控定子温升。运行是压500V,电流2A,cos (=1。在130(C动作关掉电源。
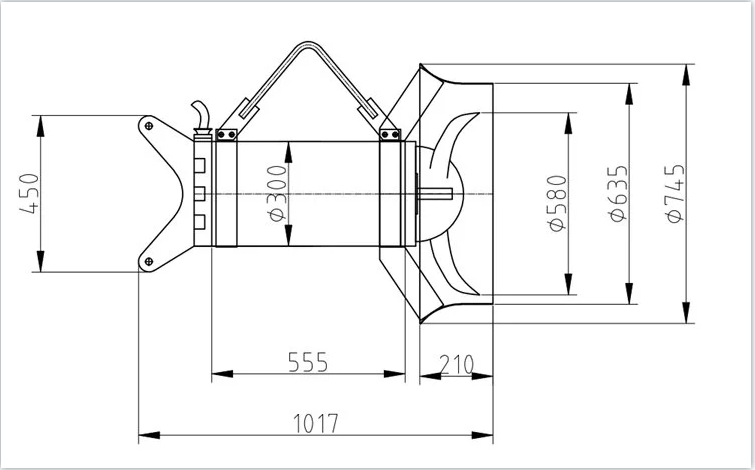
潜水搅拌机安装提升系统
导轨系统由方钢导杆、起吊装置和调向盘等组成,电机自带支撑架。可自由调整搅拌机的提升和下降,排空水池情况下拆卸和安装潜水搅拌机。潜水搅拌机全部的重量受力在它的支架上,此支架承受潜水搅拌机形成的推力。
起吊装置为可移动式,含专用起吊装置及绞轮。
(4) 主要材料
电机壳体 不锈钢316
轴封壳体 不锈钢316
螺旋桨 不锈钢316
轴 不锈钢
外机械密封 碳化硅/碳化硅
内机械密封 碳化硅/石墨
导轨 不锈钢304
提升链 不锈钢316
电机支撑架 不锈钢304
起吊架(含手摇卷升装置) 不锈钢304
(5) 防腐处理
制造潜水搅拌机的全部材料适用于污泥的腐蚀环境,未经保护或非防腐性材料按基本要求的有关条款规定进行处理。
(6) 控制系统
a. 潜水搅拌机的操作为就地手动控制或PLC控制,配带电控柜,满足运行状态信号能向上级PLC送出开、停、运行、故障等信号,并能接受PLC控制,并根据工艺要求设置低水位保护。电控柜的防护等级为IP54,电机防护等级IP68,绝缘F级。就地电控箱应按国标防雷要求设置SPD及后备保护。另外,具备向中控室传输状态信号的端子引出接口。与潜水电机连接的水下电缆长度按15m计。
b. 有关控制箱及控制的技术要求见电气和控制条款。
(7) 安装和检验
a. 参考标准
CJ/T109-2000 潜水搅拌机
GB50231-98 机械设备安装工程施工及验收通用规范
制造厂 潜水搅拌机安装维修手册
b. 现场条件
遵照图纸及对土建工程的预留位置,进行潜水搅拌机的安装。
土建施工前,构筑物的相关土建尺寸进行核对,可作局部调整,并向监理工程师报告,经批准及修正后,方可安装。
c. 设备结构要素
潜水搅拌机采用螺旋桨叶的型式,垂直导轨移动式安装。
潜水搅拌机需按主机、安装导轨和起吊架等三个部件在现场联接组装,主机为整机安装。
安装顺序按产品安装维护保养手册为准。
在安装前,为防止部件损坏而包装的防护粘贴,不得提前撕离。
d. 现场检验和调试
安装后,按技术要求进行检验,保证其允差值符合规定的指标。
检查和加注润滑油脂。
潜水搅拌机在无水条件下,空载运行,传动平稳,无卡位和抖动现象。
潜水搅拌机主要组成部分及供货范围如下(但不限于此):

装配完整的潜水搅拌机主机(包括叶轮、机械密封、轴等)
潜水全铜线圈电机
潜水搅拌机导轨及固定支架、电缆固定件、转向及其定位装置提升链、304不锈钢钢丝绳等
吊架固定座,带旋转装置,可调方向。
导杆、吊架及提升装置(固定式)
10m水下密封防腐电缆、固定件、接头、紧固件等
现场不锈钢304控制箱,带立柱,防雨型设计。
所有连接附件、化学地脚螺栓
一年备品备件(机械密封 轴承 电缆 O型圈等)
提供现场指导安装调试。
铭牌材质304、电机能耗等级二级能效以上;
资料:提供设备外形图(CAD格式,含重量)、说明书、合格证、产品出厂检验单、测试报告、质量文件等资料纸质版一份,电子版PDF一份
检查及验收:
杜安环保每台潜水搅拌机出厂前都做以下试验(不限于此):
外观检验;
潜水搅拌机的运行状态试验;
潜水电机内腔的气压试验;
潜水电机各项指标的测定。
潜水搅拌机中承受工作压力的零部件均进行历时 3min 的水压试验而无渗漏,
试验压力为1.5 倍的工作压力,但不低于0.2MPa。
现场调试及验收工作:
现场设备安装后,潜水搅拌机进行清水和排泥水运行试验,检测性能参数,确保设备符合技术要求,运行过程中满足:电机电流不超过额定电流;潜水搅拌机运行平稳无异常声响和振动;
所有密封部位无漏油漏水现象;潜水搅拌机在导杆上滑行无卡滞现象, 导轨及吊架不变形。









