返回主站
|
会员中心
|
保存桌面
|
手机浏览
温州浩恩气动液压有限公司
工业自动化控制设备、电力照明设备、高低压电器及电器配件、仪器仪表(不含计量器...
网站首页
公司介绍
供应产品
采购清单
新闻中心
江南(中国)
友情链接
商城
企业档案
企业会员
第
1
年
温州浩恩气动液压有限公司
陈怡西
女士
和我联系
经营范围:
工业自动化控制设备、电力照明设备、高低压电器及电器配件、仪器仪表(不含计量器具)、气动元件、电磁阀、磁性开关、电子元器件、电气机械设备、日用百货、通讯产品、计算机软硬件、五金交电、装饰材料、塑料制品、汽车零配件销售(含网上销售);货物进出口、技术进出口。(依法须经批准的项目,经相关部门批准后方可开展经营活动)
主营行业:
家电行业
所在地区:
浙江/温州市
信用指数:
0
认证信息:
企业资料通过认证
保证金:
0.00 元
新闻中心
暂无新闻
产品分类
暂无分类
江南(中国)
联系人:陈怡西
电话:13588969673
友情链接
暂无链接
首页
>
供应产品
>
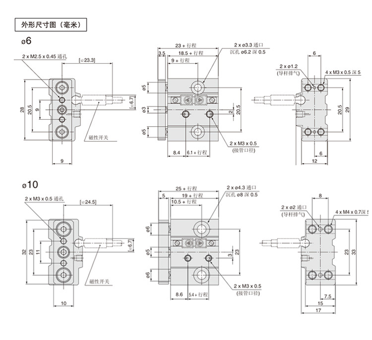
HOEN气动小型MGJ10三轴三杆微型带导杆气缸MGJ6*5X10x15-2 0磁性
HOEN气动小型MGJ10三轴三杆微型带导杆气缸MGJ6*5X10x15-2 0磁性
点击图片查看原图
产品:
浏览次数:399
HOEN气动小型MGJ10三轴三杆微型带导杆气缸MGJ6*5X10x15-2 0磁性
单价:
20.50元/个
最小起订量:
1 个
供货总量:
163 个
发货期限:
自买家付款之日起
1
天内发货
有效期至:
长期有效
最后更新:
2023-02-27 09:31
详细信息
商品描述
询价单
共
0
条
相关评论
Copyright ©2026 版权所有:温州浩恩气动液压有限公司 访问量:1730
技术支持:
全球零部件网
商铺管理入口
销售热线
13588969673
返回顶部
LETOU(乐投)
|
奇异果平台
|
完美体育
|
完美·体育
|
九游·官方网站
|
开云手机入口官网
|
MK官方端网站登录入口
|
完美体育
|
LEJING.COM
|